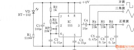
Generator Circuit Diagram Through analysis, devise your own signal generator, capable of generating following waveforms of desirable amplitude and frequency: 1. Square wave (bonus for varying duty cycle) 2. Sine Wave 3. Sawtooth Wave The signal generator design should include the capability to adjust signal frequency and amplitude. Need to test circuitry but don't have a waveform generator? A DIY signal generator that measures arbitrary waveforms is easy and affordable to make using the PBB-272C powered breadboard and a few other tools. To create our analog function generator circuit, we will use a 555 timer to create a sine wave signal.

As a hobbyist, it is a fun and easy project to test and hone your skills using Arduino. For testing - when you are creating a circuit, testing a piece of equipment (i.e. an amplifier) or testing a frequency response, it is useful to have one handy to inject the signal into the circuit or device. Building the signal generator. 1 DIY Function/Waveform Generator: In this project we will have a short look at commercial function/waveform generators in order to determine what features are important for a DIY version. Afterwards I will then show you how to create a simple function generator, the analog and digitโฆ

How to: Build an Arduino Signal Generator Circuit Diagram
It is a DDS type programmable waveform generator, so it takes a clock signal with a maximum frequency of 25MHz (for this particular IC), which it then divides based on a value passed by the microcontroller (maximum 2 28) via the SPI bus, and using a 10-bit DAC it outputs a waveform chosen by the microcontroller. The output has a peak-to-peak Testing It Out. After you have uploaded the code, use the pushbuttons that you have hooked up to the breadboard to generate waveforms. If you have an oscilloscope, you can use it to visualize the different waveforms that you generate. You can control the signal frequency by using the potentiometer connected to A0. Waveforms shown on an oscilloscope This function generator a.k.a waveform generator can produce square wave (5V/0V) with frequency ranging from 1Hz to 2MHz, the frequency of the wave can be controlled by a knob and the duty cycle is hardcoded to 50% but it is easy to change that in the program as well. Apart from that, the generator can also produce since wave with frequency

A Function generator , often known as Wave-form generator is a circuit that produces a variety of different wave-forms at a desired frequency. Function generator is one of the important devices in laboratory when it comes to generating electrical waveforms like sine, triangle,square or pulses over a range of frequencies, amplitude and duty cyle. This IC 741 based function generator circuit delivers increased test versatility compared to the typical sine wave signal generator, giving 1 kHz square and triangle waves together, and it is both low-cost and very simple to construct. As it appears the output is approximately 3V ptp on square wave, and 2V r.m.s. in the sine -wave. So after the first op amp, we have a square waveform. What follows next is an integrator circuit. When you feed a square waveform into an integrator circuit, the output is a triangle waveform. So after the second op amp, we now have a triangle waveform, as our second waveform. We then feed this triangle waveform into another integrator circuit.