DIY 3D Print your own Bluetooth Speaker Geeetech Circuit Diagram What is a Bluetooth Speaker Wiring Diagram? A Bluetooth speaker wiring diagram is a diagram that explains the connection between the Bluetooth speaker and other components in an audio system, including amplifiers, receivers, or other speakers. It shows the colors of the wires used to link the components, as well as the type of connectors used.

Learn how a Bluetooth speaker works and what are its key components. See the schematic diagram of a Bluetooth speaker and its connection diagram. With the help of a simple circuit diagram. In essence, a Bluetooth circuit diagram is a visual representation of all the components needed to make a functioning wireless connection. It includes all the necessary parts needed to power the device, as well as the cables, transistors and resistors used to control the signal strength. A Bluetooth speaker circuit diagram typically consists of several key components, including a Bluetooth module, an amplifier, power supply, and speakers. It communicates with the microcontroller using a simple serial interface, allowing for convenient integration into speaker circuits. The module also has a built-in antenna, which ensures

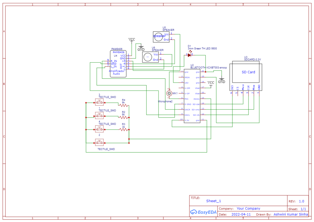
Simple Circuit Diagram Of Bluetooth Device
The Bluetooth speaker circuit diagram is simple, and its function can be easily understood. Make sure to connect all major components and keep the diagram simple. You may do it as a DIY project and learn more about its works. Over the coming years, several advancements will be seen in Bluetooth speakers as they are widely used among the First attach the amplifier, Bluetooth module and the battery to the back plate. When that is done. You can attach the TP0456 charging module and the switch. Circuit Diagram of Wireless Bluetooth Speaker. You can refer to the above circuit diagram to recreate your project. It's simple to follow. Final Assembly and Testing

Portable Bluetooth Speaker Diagram Schematic And Image 10. Simple Fiber Optic Audio Optolab. File Wiring Diagram Jpg Ese205 Wiki. Teardown Tuesday What S Inside A Bluetooth Speaker News. Bluetooth Audio Receiver Module Stereo Output 5v Dc Operation. Portable 30 Watt Powered Bluetooth Speaker Package With 2 1 Full Range Drivers Without Batteries Simple Portable Bluetooth Speaker: Hi everyone! Thanks for tuning in this project of mine, I hope you'll like this one and learn something new! As always, I have included the laser cut plans and the wiring diagram below. Feel free to download or print it and make sure you zoom in for a better view. Just to make sure the dimensions on your With the right components and a few simple steps, you can assemble a dependable, good-sounding device at home. First, you'll need to find the appropriate type of Bluetooth speaker circuit diagram for your project. A basic two-channel Bluetooth speaker circuit allows you to use two stereo speakers independently or as part of a single speaker